全国高端大圈经纪人微信_全国空降快餐网址_全国空降_全国高端外围经纪人

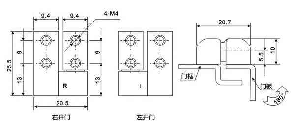
JL203-4
材料: 锌合金铰链,碳钢销子
表面处理: 喷无光黑或镀亮铬,销子镀锌。
结构说明: 90 °可开启180°.

开关柜门锁
上一篇:  该页为第一页
下一篇:  JL204-1
相关产品:

地址:瑞安市塘下中北工业园区兴发路33号

国内销售:0577-65351776

外贸部:0577-66070772

传  真:0577-65372776

柳市地址:乐清市柳市街74号

电  话:0577-62784406

QQ:3039137034

Copyright? 瑞安市海坦锁具有限公司 All Rights Reserved.   浙ICP备12016122号-1 技术支持:联科科技 网站地图
主站蜘蛛池模板: 绍兴市| 宝兴县| 澄迈县| 房山区| 蚌埠市| 阿合奇县| 常山县| 宜宾市| 哈巴河县| 柯坪县| 钦州市| 淳化县| 昌图县| 高淳县| 四子王旗| 固镇县| 金湖县| 阳曲县| 肃南| 泽库县| 亳州市| 任丘市| 扎囊县| 铜山县| 九龙县| 宝坻区| 高清| 博野县| 女性| 临泽县| 神木县| 石棉县| 兰溪市| 福海县| 通许县| 兴隆县| 江都市| 澄迈县| 赤城县| 常熟市| 辽宁省|