
Current Position:home
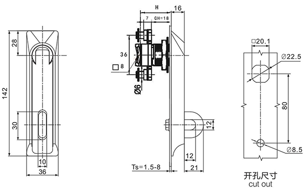
MS860-2D
| Material: |
Zinc Alloy Housing, Handle And Buckle , Nut And Steel Cam. |
| Finish: |
Bright chrome |
| Structure: |
Swing 90° the Handle To Open Or Close. |
Related Products:











