
Current Position:home
AB403
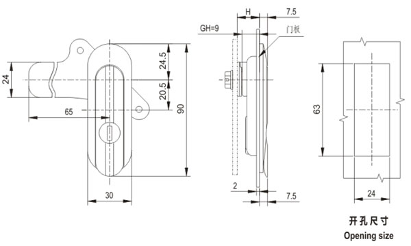
| Material: | zinc alloy housing 、handle 、cylinder and button,steel cam and nut. |
| Finish: | bright chrome plated .zinc plated parts. |
| Structure: | push the handle and swing 90°the handle to open or lock.
|

Related Products:











